Lanac DIN 764 G30
Specifikacija:
• općenito prema standardu DIN 764
• nije prikladan za dizanje tereta
• komercijalni lanac srenje karike namijenjen za transportere (kovejere), privez ili sidrenje
• materijal: čelik G30 ili nehrđajući čelik AISI 316 (drugi materijali na upit)
• završna obrada: crni, pocinčani, vruće pocinčani ili polirani
* vrijednosti dimenzija i minimalnih prekidni sila navedenih u tablici mogu odstupati od stvarnih (u slučaju potrebe za točnim dimenzijama potrebno se obratiti odjelu prodaje)
* u napomenu je potrebno navesti željenu završnu obradu (npr. 100 m, pocinčani)
Specifikacija:
• općenito prema standardu DIN 764
• nije prikladan za dizanje tereta
• komercijalni lanac srenje karike namijenjen za transportere (kovejere), privez ili sidrenje
• materijal: čelik G30 ili nehrđajući čelik AISI 316 (drugi materijali na upit)
• završna obrada: crni, pocinčani, vruće pocinčani ili polirani
* vrijednosti dimenzija i minimalnih prekidni sila navedenih u tablici mogu odstupati od stvarnih (u slučaju potrebe za točnim dimenzijama potrebno se obratiti odjelu prodaje)
* u napomenu je potrebno navesti željenu završnu obradu (npr. 100 m, pocinčani)
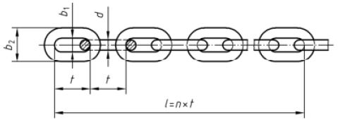
| Promjer d (mm) |
10 ,12 ,13 ,14 ,16 ,18 ,20 ,23 ,26 ,28 ,30 ,33 ,4 ,5 ,6 ,8 |
|---|---|
| Unutarnja dužina t (mm) |
105 ,115 ,16 ,18 ,21 ,28 ,35 ,42 ,45 ,49 ,56 ,63 ,70 ,80 ,91 ,98 |
| Unutarnja širina b1 (mm) |
11,0 ,14,0 ,16,0 ,18,0 ,20,0 ,22,0 ,24,0 ,27,0 ,31,0 ,35,0 ,36,0 ,39,0 ,43,0 ,5,0 ,7,0 ,8,0 |
| Vanjska širina b2 (mm) |
101,0 ,108,0 ,119,0 ,14,0 ,18,2 ,21,5 ,29,0 ,36,0 ,41,0 ,47,0 ,48,0 ,58,0 ,65,0 ,72,0 ,83,0 ,94,0 |
| Težina (kg/m) | , , , , , , , , , , , , , , , |
| Min. prekidna sila (kN) | , , , , , , , , , , , , , , , |


