Kolica za dizalicu tip ST inox STANDARD RX-lift
Specifikacija:
• sukladno Direktivi o strojevima 2006/42/EC i standardu EN 13157
• kolica izrađena od nehrđajućeg čelika (inox) AISI 304, prikladna za radnu okolinu s visokom razinom vlage (maksimalan stupanj antikorozivne zaštite) i/ili niskom razinom kontaminacije (prašina, mikroorganizmi, aerosol, kemijskih pare itd.)
• vanjske površine polirane (vrlo glatke), otporne na prašinu i jednostavne za čišćenje (prikladno za upotrebu u čistim sobama (clean room) u prehrambenoj, farmaceutskoj i kemijskoj industriji)
• zupčanici, vijčani spojevi i ostale komponente izrađene od nehrđajućeg čelika AISI 304
• mogućnost podešavanja širine kolica pomoću odstojnih podložnih prstenova
• trajno podmazani kuglični ležajevi omogućuju neometano kretanje
• prikladno za većinu “I” (IPE) i “H” (HEA, HE, HL, HD) profila
Značajke:
• radna temperatura: -10°C do 60°C
• vlažnost okolice: do 100 % (nije prikladno za rad pod vodom)
• ATEX zona: nije prikladno
• vrsta tereta: za dizanje tereta, nije prikladno za dizanje ljudi
Specifikacija:
• sukladno Direktivi o strojevima 2006/42/EC i standardu EN 13157
• kolica izrađena od nehrđajućeg čelika (inox) AISI 304, prikladna za radnu okolinu s visokom razinom vlage (maksimalan stupanj antikorozivne zaštite) i/ili niskom razinom kontaminacije (prašina, mikroorganizmi, aerosol, kemijskih pare itd.)
• vanjske površine polirane (vrlo glatke), otporne na prašinu i jednostavne za čišćenje (prikladno za upotrebu u čistim sobama (clean room) u prehrambenoj, farmaceutskoj i kemijskoj industriji)
• zupčanici, vijčani spojevi i ostale komponente izrađene od nehrđajućeg čelika AISI 304
• mogućnost podešavanja širine kolica pomoću odstojnih podložnih prstenova
• trajno podmazani kuglični ležajevi omogućuju neometano kretanje
• prikladno za većinu “I” (IPE) i “H” (HEA, HE, HL, HD) profila
Značajke:
• radna temperatura: -10°C do 60°C
• vlažnost okolice: do 100 % (nije prikladno za rad pod vodom)
• ATEX zona: nije prikladno
• vrsta tereta: za dizanje tereta, nije prikladno za dizanje ljudi
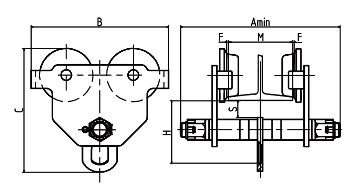
| Model | , , , , |
|---|---|
| Nosivost (t) | , , , , |
| Min. radius (m) | , , , , |
| A min. (mm) |
245 ,328 ,346 ,352 ,378 |
| A max. (mm) | , , , , |
| B (mm) | , , , , |
| C (mm) |
193 ,229 ,268 ,316 ,360 |
| H (mm) | , , , , |
| S (mm) | , , |
| F (mm) | |
| M (mm) | , , , , |
| Neto težina (kg) | , , , , |


